產品名稱:硅溶膠球閥
產品型號:Q41F
產品口徑:DN15-200
產品壓力:1.0-4.0Mpa
產品材質:鑄鋼、不銹鋼、合金鋼等
聯系電話:15901687301
標準規范APPLICABLE STANDARDS
設計與制造Design:GB/T12237/1989
連接法蘭End Flange:GB9113.1
防火測試Fire Safe:API607 4th 1993
結構長度Face to Face:GB/T12221-1989
檢測與試驗Inspection&Testing:GB/T13927-1992
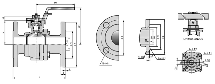
GB系列主要外型及連接尺寸表GB Main appearance and connection size talbe
